VACUUM TUBE TELEVISION SCHEMATICS AND INFORMATION
 

Admiral 19A1 chassis 7" television information and photos

Andrea 1F5, KTE5 5" television

General Electric HM-171 5" television

Meissner 10-1153 5" television 

National NC-TV7 7" television

RCA TRK5, TT5 5" television

Tele-Tone TV208TR, TV220 7" television

Transvision KIT 7" television 

Uncnown-1 6 tube television

Admiral 24R12 television photo reception photo

General Electric 805 "Locomotive"

Pilot TV-37

Admiral 20A1, 20B1, and 21A1

National NCTV 10T

RCA 630TS

RCA 648PTK

RCA CTC4

RCA CTC5A

RCA KCS100D

RCA KCS311

RCA TRK12

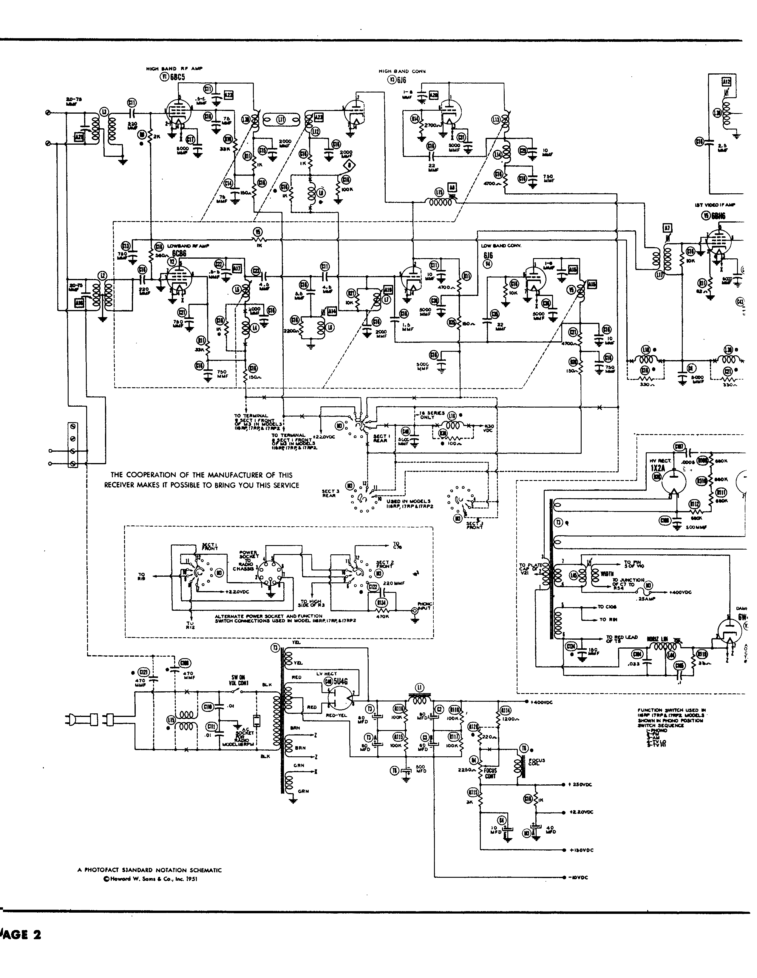
Stromberg-Carlson Models 16, 17, 116 (year 1951) page 1, page 2, page 3

Stromberg-Carlson Model 24 - TV section (year 1951)

Stromberg-Carlson Model TV-125 (Ch. TV-12) (year 1949)

Other TVs